Jak tworzy się sprężarkownię?

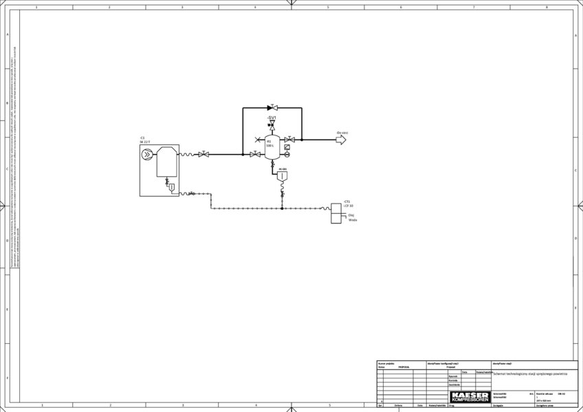
Schemat P&I

Schemat P&I
Jak wszyscy wiemy, nie ma dwóch identycznych systemów sprężonego powietrza. Podobnie jak nie ma jednej określonej wielkości sprężarki, której potrzebuje zakład z danej branży. Przykładowo jedna mleczarnia potrzebuje urządzenia o mocy silnika 3 kW, a inna o mocy 110 kW. Stąd podstawą tworzenia nowej lub modernizacji istniejącej instalacji jest wiedza o wymaganiach danego zakładu. Dlatego każdy przypadek rozpatrywany jest przez naszą firmę indywidualnie. Zaczynamy zawsze od analizy potrzeb. Przede wszystkim określamy wymaganą (przez technologię) ilość i jakość sprężonego powietrza. Sprawdzamy wymagane ciśnienie czy też możliwości chłodzenia maszyn. Na tej podstawie dobieramy zestaw urządzeń, który zrealizuje te potrzeby. W celu zobrazowania naszej propozycji przygotowujemy schemat technologiczny orurowania i oprzyrządowania (ang. P&ID - piping and instrumentation diagram). Dzięki temu widzimy wszystkie połączenia, co pozwala na uporządkowanie nierzadko wielu elementów instalacji.

Opis schematu

Na powyższym schemacie od lewej znajduje się sprężarka śrubowa z osuszaczem chłodniczym. Obok 500 l zbiornik sprężonego powietrza z automatycznym spustem kondensatu. Całość jest połączona rurociągami sprężonego powietrza. Poniżej zbiornika umieszczony jest separator kondensatu, odpowiadający za rozdzielnie kondensatu na olej i wodę. Jest on połączony rurociągami kondensatu z osuszacza i zbiornika sprężonego powietrza.

Ustawienie urządzeń

Ustawienie urządzeń
Na tym etapie tworzymy propozycję optymalnego rozmieszczenia wszystkich urządzeń w pomieszczeniu. Pozwala to na sprawdzenie, czy wszystkie elementy się mieszczą, a także czy wszędzie jest właściwy dostęp serwisowy. Podczas rozlokowywania urządzeń należy pamiętać o zachowaniu prawidłowego ciągu technologicznego oraz wymaganego dostępu serwisowego i komunikacyjnego. Pominięcie tego etapu jest dużym błędem, który ma swoje następstwa podczas eksploatacji.
 
Proszę sobie wyobrazić wymianę bloku śrubowego o wadze 200 kg. Wymaga ona odpowiedniej ilości miejsca. Wymiana nie może się łączyć z wycinaniem rurociągów czy kanałów wentylacyjnych. Istotne jest również zadbanie o odpowiednią lokalizację urządzeń w stosunku do czerpni powietrza oraz drzwi. Ważne jest, aby każde urządzenie miało możliwość wymiany części czy materiałów eksploatacyjnych. Najlepiej bez demontażu innych elementów w pomieszczeniu.

Wentylacja kompresorowni

Wentylacja kompresorowni
Właściwe zaplanowanie kanałów wentylacyjnych umożliwia pracę sprężarek w każdych warunkach. Jak wiadomo, do prawidłowej pracy potrzebują one powietrza. I to dużych jego ilości. Powietrze jest konieczne do sprężania, ale również do chłodzenia urządzeń. Powietrze chłodzące zostaje ogrzane wewnątrz sprężarek, a następnie musi zostać odprowadzone. Zimą może ono wspomóc ogrzewanie pomieszczeń. Latem kanały wentylacyjne odprowadzają powietrze chłodzące na zewnątrz. Dlaczego jest to tak bardzo istotne? Co się stanie, gdy w dowolnej wielkości stacji sprężonego powietrza nie będzie czerpni powietrza? W pomieszczeniu wytworzy się podciśnienie — otwieranie drzwi będzie wymagało użycia siły. A to i tak najmniejszy problem. Brak dobrze obliczonej wentylacji to wzrost temperatury w pomieszczeniu kompresorów. Szczególnie latem może to spowodować ich wyłączenie.
 
Stworzenie rysunku z kanałami wentylacyjnymi i czerpniami powietrza ma swoją istotną zaletę. Dzięki temu możemy dobrać najlepsze rozwiązanie dla danego pomieszczenia. Ponadto rysunek ułatwia zamówienie odpowiednich elementów wentylacyjnych. A na późniejszym etapie ich właściwy montaż.

Orurowanie sprężarkowni

Orurowanie sprężarkowni
To stadium projektowania, na którym już po zamówieniu urządzeń tworzymy wizualizację orurowania wszystkich elementów stacji sprężonego powietrza. Dzięki temu widać poszczególne elementy, ich długość oraz średnice. Graficzne przedstawienie orurowania stacji jest ważne dla firmy instalującej. Dzięki niemu będzie wiedziała, jak powinny być wykonane rurociągi sprężonego powietrza i kondensatu. Istotne jest, aby uwzględnić wszystkie przyłącza, przestrzenie serwisowe, odpowiednie umiejscowienie zaworów. Należy pamiętać o właściwych spadkach ciśnienia oraz izolacji termicznej rurociągów. Jest to moment, w którym odwzorowujemy schemat technologiczny P&ID. Tego typu wizualizacje pokazują również kierunki przepływu w poszczególnych przewodach. Jest to wymagana informacja szczególnie w przypadku urządzeń chłodzonych wodą.
 

Wizualizacja 3D

Wszyscy lubimy zobaczyć, jak finalnie będzie wyglądała nasza inwestycja. Dlatego oferujemy możliwość wykonania wizualizacji 3D. Odwzorowuje ona faktyczny wygląd przyszłej stacji sprężonego powietrza. Animacja pokazuje poszczególne etapy powstawania nowej kompresorowni. A wszystko to w Państwa pomieszczeniu, przeznaczonym na nowe energooszczędne urządzenia.
 
Zachęcam, aby wykorzystać naszą wiedzę i doświadczenie.



~ autor: Robert Ryt



Powrót do KAESER Blog